Главная > Подшипники> Шариковые> Радиальные>WF689ZZ

WF689ZZ — Радиальный шарикоподшипник, импортное производство по ISO стандарту, размер 9x17x5 номер основного исполнения 689.
Производитель: KOYO.
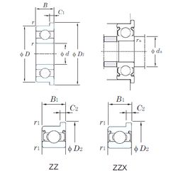
Радиальный шарикоподшипник из нержавеющей стали с упорным бортом на наружном кольце.
ZZ = Два металлических экрана.
Цена по запросу
Цена на подшипник зависит от:
| Обозначение | Модификация |
|---|---|
| 689 | Основное конструктивное исполнение. |
| S689 | |
| 689H | H = высокая, узкая каретка для двухрядного шарикоподшипника и направляющей в сборе. |
| W689Z | Металлический экран с одной стороны. |
| 689ZZ | ZZ = Два металлических экрана. |
| F-689 | |
| F689H | H = высокая, узкая каретка для двухрядного шарикоподшипника и направляющей в сборе. |
| FL689 | |
| SF689 | |
| 689W6 | W = Без кольцевой канавки и смазочных отверстий в наружном кольце. |
| W689ZZ | ZZ = Два металлических экрана. |
| 689HZZ | ZZ = Два металлических экрана. |
| F689DD | DD = резиновые уплотнения на каждой стороне подшипника. |
| F689ZZ | ZZ = Два металлических экрана. |
| F689VV | V = Увеличенная грузоподъемность, внутренняя модификация конструкции. |
| 689-2Z | 2Z = Металлические шайбы с каждой стороны подшипника. |
| S689W6 | W = Без кольцевой канавки и смазочных отверстий в наружном кольце. |
| 689 VV | V = Увеличенная грузоподъемность, внутренняя модификация конструкции. |
| 689 DD | DD = резиновые уплотнения на каждой стороне подшипника. |
| W689ZZS | ZZ = Два металлических экрана. |
| 689-2RS | Резиновые уплотнения с каждой стороны подшипника. |
| F689ZZ1 | ZZ = Два металлических экрана. |
| F689-2Z | 2Z = Металлические шайбы с каждой стороны подшипника. |
| F689HZZ | ZZ = Два металлических экрана. |
| FL689ZZ | ZZ = Два металлических экрана. |
| FLW689Z | Металлический экран с одной стороны. |
| S689-2Z | 2Z = Металлические шайбы с каждой стороны подшипника. |
| 689 ZZ1 | ZZ = Два металлических экрана. |
| 689H-2RS | Резиновые уплотнения с каждой стороны подшипника. |
| W689-2RU | Манжетное бесконтактное уплотнение с обеих сторон. |
| W689-2RD | R = Наружное кольцо с фланцем . |
| F-W689ZZ | ZZ = Два металлических экрана. |
| F-W689Z1 | Металлический экран с одной стороны. |
| F689-2RS | Резиновые уплотнения с каждой стороны подшипника. |
| S689-2RS | Резиновые уплотнения с каждой стороны подшипника. |
| 689-2ZW6 | 2Z = Металлические шайбы с каждой стороны подшипника. |
| SF689-2Z | 2Z = Металлические шайбы с каждой стороны подшипника. |
| 689-2RSW6 | Резиновые уплотнения с каждой стороны подшипника. |
| F689H-2RS | Резиновые уплотнения с каждой стороны подшипника. |
| S689-2ZW6 | 2Z = Металлические шайбы с каждой стороны подшипника. |
| SF689-2RS | Резиновые уплотнения с каждой стороны подшипника. |
| 689-2RS C3 | 2RS = Резиновые пыле-влагозащитные уплотнения с каждой стороны подшипника. C3 = Внутренний Зазор Больше Обычного. |
| F-FLW689ZZ | ZZ = Два металлических экрана. |
| S689-2RSW6 | Резиновые уплотнения с каждой стороны подшипника. |
| 689-2Z.T9H.C3 | C3 = Радиальный внутренний зазор больше нормального. |
Габаритные размеры
Размеры и геометрические характеристики
Нагрузка и ресурс
Защита
Коэффициенты для расчета
Присоединительные размеры
Конструкция и исполнение
Подшипник шариковый радиальный однорядный с одной защитной шайбой 2060089
Подшипник шариковый радиальный однорядный с двумя защитными шайбами 2080089
Подшипник шариковый радиальный однорядный с упорным бортом на наружном кольце и одной защитной шайбой 2860089
Подшипник шариковый радиальный однорядный с упорным бортом на наружном кольце и двумя защитными шайбами 2880089
Подшипник однорядный шариковый радиальный 618/9ZZ (CRAFT, CX, ISO)
Подшипник однорядный шариковый радиальный 628/9 ZZ (CX, ISB, ISO)