Главная > Подшипники> Шариковые> Радиальные>WF685ZZ

WF685ZZ — Радиальный шарикоподшипник, импортное производство по ISO стандарту, размер 5x11x5 номер основного исполнения 685.
Производитель: KOYO.
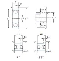
Радиальный шарикоподшипник из нержавеющей стали с упорным бортом на наружном кольце.
ZZ = Два металлических экрана.
Цена по запросу
Цена на подшипник зависит от:
| Обозначение | Модификация |
|---|---|
| 685 | Основное конструктивное исполнение. |
| S685 | |
| 685H | H = высокая, узкая каретка для двухрядного шарикоподшипника и направляющей в сборе. |
| SF685 | |
| W685Z | Металлический экран с одной стороны. |
| 685ZZ | ZZ = Два металлических экрана. |
| F-685 | |
| F685H | H = высокая, узкая каретка для двухрядного шарикоподшипника и направляющей в сборе. |
| FL685 | |
| W685ZZ | ZZ = Два металлических экрана. |
| 685-2Z | 2Z = Металлические шайбы с каждой стороны подшипника. |
| 685HZZ | ZZ = Два металлических экрана. |
| F685ZZ | ZZ = Два металлических экрана. |
| FLW685Z | Металлический экран с одной стороны. |
| S685-2Z | 2Z = Металлические шайбы с каждой стороны подшипника. |
| 685-2RS | Резиновые уплотнения с каждой стороны подшипника. |
| 685/1BZ | B = однокомпонентное ребристое внутреннее кольцо. |
| F685-2Z | 2Z = Металлические шайбы с каждой стороны подшипника. |
| F685HZZ | ZZ = Два металлических экрана. |
| FL685ZZ | ZZ = Два металлических экрана. |
| S685-2RS | Резиновые уплотнения с каждой стороны подшипника. |
| SF685-2Z | 2Z = Металлические шайбы с каждой стороны подшипника. |
| F-W685ZZ | ZZ = Два металлических экрана. |
| F-W685Z1 | Металлический экран с одной стороны. |
| F685-2RS | Резиновые уплотнения с каждой стороны подшипника. |
| SF685-2RS | Резиновые уплотнения с каждой стороны подшипника. |
| F685H-2RS | Резиновые уплотнения с каждой стороны подшипника. |
| 685-2RS C3 | 2RS = Резиновые пыле-влагозащитные уплотнения с каждой стороны подшипника. C3 = Внутренний Зазор Больше Обычного. |
| F-FLW685ZZ | ZZ = Два металлических экрана. |
Габаритные размеры
Размеры и геометрические характеристики
Нагрузка и ресурс
Защита
Коэффициенты для расчета
Присоединительные размеры
Конструкция и исполнение
Подшипник шариковый радиальный однорядный с одной защитной шайбой 3060085
Подшипник шариковый радиальный однорядный с двумя защитными шайбами 3080085 (ГПЗ-4)
Подшипник шариковый радиальный однорядный с упорным бортом на наружном кольце и двумя защитными шайбами 3880085
Подшипник шариковый радиальный однорядный с упорным бортом на наружном кольце и одной защитной шайбой 3860085
Подшипник однорядный шариковый радиальный 618/5 ZZ (CRAFT, CX, ISO)
Подшипник шариковый радиальный 618/5-2RS (CRAFT, CX, ISO)