Главная > Подшипники> Шариковые> Радиальные>WF68/2.5ZZ

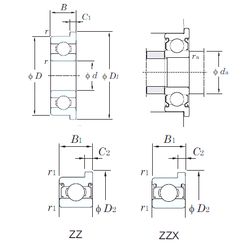
WF68/2.5ZZ — Радиальный шарикоподшипник, импортное производство по ISO стандарту, размер 2x6x2 номер основного исполнения .
Производитель: KOYO.
Радиальный шарикоподшипник из нержавеющей стали с упорным бортом на наружном кольце.
ZZ = Два металлических экрана.
Цена по запросу
Цена на подшипник зависит от:
Габаритные размеры
Размеры и геометрические характеристики
Нагрузка и ресурс
Защита
Коэффициенты для расчета
Присоединительные размеры
Конструкция и исполнение
Подшипник шариковый радиальный однорядный 05-1000092
Подшипник шариковый радиальный однорядный 1000092
Подшипник шариковый радиальный однорядный 1000092 ZZ (3ММ)
Подшипник шариковый радиальный однорядный с одной защитной шайбой 1060092
Подшипник шариковый радиальный однорядный с двумя защитными шайбами 1080092
Подшипник шариковый радиальный 124-1000092