Главная > Подшипники> Шариковые> Упорные>WBK35DFF-31

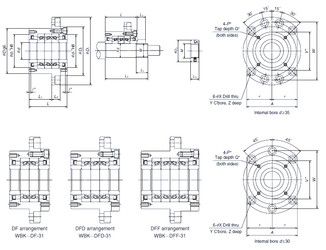
WBK35DFF-31 — Осевой радиально-упорный шарикоподшипник, импортное производство по ISO стандарту номер основного исполнения .
Производитель: NSK.
Комплект подшипников расположенных лицом к лицу, дуплексная Х-образная пара.
Цена по запросу
Цена на подшипник зависит от:
Габаритные размеры
Размеры и геометрические характеристики
Защита
Присоединительные размеры
Конструкция и исполнение
Другие размеры
Осевой радиально-упорный шарикоподшипник WBK35DFD-31 (NSK)
Осевой радиально-упорный шарикоподшипник WBK35DF-31 (NSK)