Главная > Подшипники> Шариковые> Упорные>WBK30DF-31

WBK30DF-31 — Линейный шариковый подшипник, импортное производство по ISO стандарту номер основного исполнения .
Производитель: NSK.
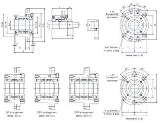
Комплект подшипников расположенных лицом к лицу, дуплексная Х-образная пара.
Цена по запросу
Цена на подшипник зависит от:
Габаритные размеры
Размеры и геометрические характеристики
Защита
Присоединительные размеры
Конструкция и исполнение
Другие размеры
Цилиндрический роликоподшипник SLX30X85X40 (NTN)
Осевой радиально-упорный шарикоподшипник WBK30DFD-31 (NSK)