Главная > Подшипники> Шариковые> Упорные>WBK20DF-31

WBK20DF-31 — Линейный шариковый подшипник, импортное производство по ISO стандарту номер основного исполнения .
Производитель: NSK.
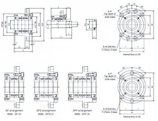
Комплект подшипников расположенных лицом к лицу, дуплексная Х-образная пара.
Цена по запросу
Цена на подшипник зависит от:
Габаритные размеры
Размеры и геометрические характеристики
Защита
Присоединительные размеры
Конструкция и исполнение
Другие размеры