Главная > Подшипники> Шариковые> Радиальные>WBC5-11ZZ

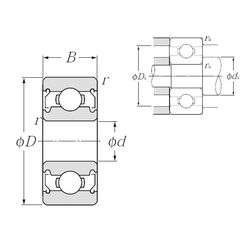
WBC5-11ZZ — Радиальный шарикоподшипник, импортное производство по ISO стандарту, размер 5x11x4 номер основного исполнения .
Производитель: NTN.
ZZ = Два металлических экрана.
Цена по запросу
Цена на подшипник зависит от:
Габаритные размеры
Размеры и геометрические характеристики
Нагрузка и ресурс
Защита
Коэффициенты для расчета
Присоединительные размеры
Конструкция и исполнение
Подшипник шариковый радиальный однорядный с одной защитной шайбой 2060085
Подшипник шариковый радиальный однорядный с двумя защитными шайбами 2080085 (ГПЗ-4)
Подшипник шариковый радиальный однорядный с упорным бортом на наружном кольце и одной защитной шайбой 2860085
Подшипник шариковый радиальный однорядный с упорным бортом на наружном кольце и двумя защитными шайбами 2880085
Подшипник однорядный шариковый радиальный 628/5-ZZ (CX, ISB, ISO)
Радиальный шарикоподшипник 685/1BZ (KOYO)