Главная > Подшипники> Шариковые> Радиальные>WBB1-8706 R-2RS1

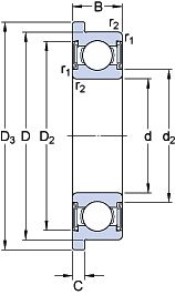
WBB1-8706 R-2RS1 — радиальный шарикоподшипник из нержавеющей стали с наружным кольцом с фланцем, импортное производство по ISO стандарту, размер 12x6x4 номер основного исполнения .
Производитель: SKF.
Резиновые уплотнения с каждой стороны подшипника.
Цена по запросу
Цена на подшипник зависит от:
Габаритные размеры
Размеры и геометрические характеристики
Нагрузка и ресурс
Коэффициенты для расчета
Присоединительные размеры
Прочие характеристики
радиальный шарикоподшипник из нержавеющей стали D/W R188-2RS1 (SKF)
радиальный шарикоподшипник из нержавеющей стали D/W R188-2Z (SKF)
радиальный шарикоподшипник из нержавеющей стали с наружным кольцом с фланцем D/W R188 R-2Z (SKF)
радиальный шарикоподшипник из нержавеющей стали с наружным кольцом с фланцем WBB1-8706 R-2Z (SKF)