Главная > Подшипники> Шариковые> Радиальные>WB1226108

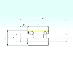
WB1226108 — Подшипник шариковый радиальный, импортное производство по ISO стандарту, размер 12x26x105 основное исполнение.
Производитель: ISB.
Цена по запросу
Цена на подшипник зависит от:
Габаритные размеры
Размеры и геометрические характеристики
Защита
Конструкция и исполнение
Другие размеры