Главная > Подшипники> Шариковые> Радиальные>W6307-2RS

W6307-2RS — Подшипник шариковый радиальный, импортное производство по ISO стандарту, размер 35x80x34 номер основного исполнения 6307.
Производитель: CYSD.
Резиновые уплотнения с каждой стороны подшипника.
Цена по запросу
Цена на подшипник зависит от:
| Обозначение | Модификация |
|---|---|
| 6307 | Основное конструктивное исполнение. |
| 6307E | Е = Увеличенная грузоподъемность. |
| M6307 | |
| 6307R | R = Наружное кольцо с фланцем . |
| S6307 | |
| 6307UU | Резиновое уплотнение на каждой стороне подшипника. |
| 6307EE | Е = Увеличенная грузоподъемность. |
| W 6307 | |
| 6307LB | LB - массивный сепаратор из лёгкого сплава, центрирование по внутреннему кольцу. |
| 6307DD | DD = резиновые уплотнения на каждой стороне подшипника. |
| 6307BI | B = однокомпонентное ребристое внутреннее кольцо. |
| 6307ZE | Е = Увеличенная грузоподъемность. |
| 6307 N | N = Канавка под стопорное кольцо в наружном кольце |
| 6307-Z | Металлический экран с одной стороны. |
| 6307VV | V = Увеличенная грузоподъемность, внутренняя модификация конструкции. |
| 6307LU | LU = RS1 (SKF) = шариковый подшипник с трущим уплотнением с одной стороны. Уплотнение обычно состоит из шайбы из листовой стали и прорезиненной ткани. |
| 6307-RS | R = Наружное кольцо с фланцем . |
| SS 6307 | |
| 6307LLU | LLU = Резиновые уплотнения на каждой стороне подшипника. |
| 6307DDU | DDU = резиновые уплотнения на каждой стороне подшипника. |
| 6307NKE | К = Коническая посадка, конусность 1:12. |
| 6307PC4 | C4 = Радиальный внутренний зазор больше C3. |
| 6307-2Z | 2Z = Металлические шайбы с каждой стороны подшипника. |
| 6307B23 | B = однокомпонентное ребристое внутреннее кольцо. |
| AC-6307 | |
| 6307 ZZ | ZZ = Два металлических экрана. |
| 6307 NR | Стопорное кольцо и проточка под него в наружном кольце подшипника. |
| 6307NRZ | Стопорное кольцо и проточка под него в наружном кольце подшипника. |
| 6307NSE | S = смазочный паз и три отверстия в наружном кольце подшипника. |
| 6307ZZE | ZZ = Два металлических экрана. |
| EC-6307 | |
| 6307T1X | T = Механически обработанный сепаратор из текстолита, центрируемый по телам качения. |
| 6307LLB | LLB = Уплотнение из синтетического каучука бесконтактного типа. |
| M6307ZZ | ZZ = Два металлических экрана. |
| 6307LLH | LL = Лабиринтные уплотнения с обеих сторон (уплотнение L-типа - все части уплотнения L-типа покрыты цинком с всех сторон для улучшения защиты от коррозии - без трения уплотнения ). H = Штампованный защелкивающийся стальной сепаратор, закаленный. |
| 6307ZENR | Стопорное кольцо и проточка под него в наружном кольце подшипника. |
| 6307-2RU | Манжетное бесконтактное уплотнение с обеих сторон. |
| 6307-Z-N | Металлический экран с одной стороны. |
| 6307LLUN | LLU = Резиновые уплотнения на каждой стороне подшипника. |
| 6307-2RD | R = Наружное кольцо с фланцем . |
| W6307-ZZ | ZZ = Два металлических экрана. |
| 6307-2RS | Резиновые уплотнения с каждой стороны подшипника. |
| 6307-RS1 | S1 = Кольца подшипника стабилизированы для рабочих температур до + 200 С. |
| 6307NREE | Стопорное кольцо и проточка под него в наружном кольце подшипника. |
| 6307NRZZ | ZZ = Два металлических экрана. |
| 6307ZZNR | ZZ = Два металлических экрана. NR = Стопорное кольцо Groove В наружном кольце подшипника и целесообразное стопорное кольцо. |
| 6307NYC3 | C3 = Радиальный внутренний зазор больше нормального. |
| P6307-GB | G = Однорядный радиально-упорный шарикоподшипник для универсального парного монтажа. Два подшипника, установленные по 0-образной или Х-образной схеме, будут иметь определенный осевой зазор в домонтажном состоянии. |
| P6307-SB | S (Сегментное уплотнение, код 2L) = кулачковый толкатель, Camrol, герметичная версия. B = шестигранное отверстие ,заменяет шлиц отвертки в конце фланца штока. |
| 6307GPC4 | C4 = Радиальный внутренний зазор больше C3. |
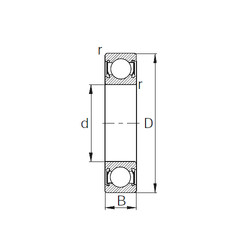
Габаритные размеры
Размеры и геометрические характеристики
Нагрузка и ресурс
Защита
Конструкция и исполнение
Подшипник шариковый двухрядный радиально-упорный 3307 (CRAFT, CX, CYSD, ISO, KOYO)
Подшипник шариковый радиально-упорный двухрядный 3056307.2RS
Подшипник шариковый радиально-упорный двухрядный 3056307 (ГПЗ-23)
Подшипник шариковый радиально-упорный 3156307 (ГПЗ-4)
Подшипник шариковый радиально-упорный 6-3056307 (ГПЗ-23)
Подшипник упорный шариковый одинарный со свободным самоустанавливающимся кольцом без подкладного кольца 28407