Главная > Подшипники> Шариковые> Радиальные>W 63805 R-2Z

W 63805 R-2Z — радиальный шарикоподшипник из нержавеющей стали с наружным кольцом с фланцем, импортное производство по ISO стандарту, размер 37x25x10 номер основного исполнения W63805.
Производитель: SKF.
2Z = Металлические шайбы с каждой стороны подшипника.
Цена по запросу
Цена на подшипник зависит от:
| Обозначение | Модификация |
|---|---|
| W 63805 | |
| W 63805 R | R = Наружное кольцо с фланцем . |
| W 63805-2Z | 2Z = Металлические шайбы с каждой стороны подшипника. |
| W 63805-2RZ | 2RZ = Шариковый подшипник, с уплотнением низкого трения на обеих сторонах. Уплотнение состоит из шайбы тонколистовой стали с вулканизированной резиной. |
| W 63805-2RS1 | Резиновые уплотнения с каждой стороны подшипника. |
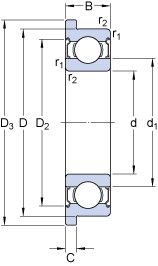
Габаритные размеры
Размеры и геометрические характеристики
Нагрузка и ресурс
Коэффициенты для расчета
Присоединительные размеры
Прочие характеристики