Главная > Подшипники> Шариковые> Радиальные>W 638/2 R-2Z

W 638/2 R-2Z — радиальный шарикоподшипник из нержавеющей стали с наружным кольцом с фланцем, импортное производство по ISO стандарту, размер 5x2x2 номер основного исполнения .
Производитель: SKF.
2Z = Металлические шайбы с каждой стороны подшипника.
Цена от:330 р.
Цена на подшипник зависит от:
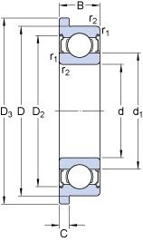
Габаритные размеры
Размеры и геометрические характеристики
Нагрузка и ресурс
Коэффициенты для расчета
Присоединительные размеры
Прочие характеристики
радиальный шарикоподшипник из нержавеющей стали W 618/2 X (SKF)
радиальный шарикоподшипник из нержавеющей стали с наружным кольцом с фланцем W 638/2 XR-2Z (SKF)
Подшипник шариковый из нержавеющей стали W 638/2-2Z (SKF)