Главная > Подшипники> Шариковые> Радиальные>W 627/5 R-2Z

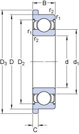
W 627/5 R-2Z — радиальный шарикоподшипник из нержавеющей стали с наружным кольцом с фланцем, импортное производство по ISO стандарту, размер 8x5x2 номер основного исполнения .
Производитель: SKF.
2Z = Металлические шайбы с каждой стороны подшипника.
Цена от:100 р.
Цена на подшипник зависит от:
Габаритные размеры
Размеры и геометрические характеристики
Нагрузка и ресурс
Коэффициенты для расчета
Присоединительные размеры
Прочие характеристики