Главная > Подшипники>W 627/4 R-2ZS

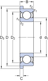
W 627/4 R-2ZS — Радиальный шарикоподшипник, импортное производство по ISO стандарту, размер 4x7x2 номер основного исполнения .
Производитель: SKF.
2Z = Металлические шайбы с каждой стороны подшипника.
Цена от:100 р.
Цена на подшипник зависит от:
Габаритные размеры
Размеры и геометрические характеристики
Нагрузка и ресурс
Защита
Конструкция и исполнение
Подшипник шариковый радиальный однорядный 1000004
Подшипник шариковый радиальный однорядный с упорным бортом на наружном кольце 1840004
Подшипник шариковый радиальный 64
Подшипник шариковый радиальный 860064
Подшипник шариковый радиальный 617/4 ZZ (CX, ISO)
Подшипник однорядный шариковый радиальный 617/4 (CX, ISO)