Главная > Подшипники> Шариковые> Радиальные>W 627/3 R-2Z

W 627/3 R-2Z — Подшипник шариковый из нержавеющей стали, импортное производство по ISO стандарту, размер 6x3x2 номер основного исполнения .
Производитель: SKF.
2Z = Металлические шайбы с каждой стороны подшипника.
Цена от:392 р.
Цена на подшипник зависит от:
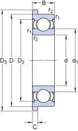
Габаритные размеры
Размеры и геометрические характеристики
Нагрузка и ресурс
Коэффициенты для расчета
Присоединительные размеры
Прочие характеристики