Главная > Подшипники>W 6203-2Z

W 6203-2Z — Подшипник шариковый из нержавеющей стали, импортное производство по ISO стандарту, размер 40x17x12 номер основного исполнения 6203.
Производитель: SKF.
2Z = Металлические шайбы с каждой стороны подшипника.
Цена от:686 р.
Цена на подшипник зависит от:
| Обозначение | Модификация |
|---|---|
| 6203 | Основное конструктивное исполнение. |
| 6203P | P = Литой сепаратор из стеклонаполненного полиамида 6,6, центрируемый по телам качения. |
| M6203 | |
| S6203 | |
| 6203E | Е = Увеличенная грузоподъемность. |
| 6203UU | Резиновое уплотнение на каждой стороне подшипника. |
| 6203LB | LB - массивный сепаратор из лёгкого сплава, центрирование по внутреннему кольцу. |
| NC6203 | |
| 6203DD | DD = резиновые уплотнения на каждой стороне подшипника. |
| 6203EE | Е = Увеличенная грузоподъемность. |
| 6203NZ | Металлический экран с одной стороны. |
| 6203LT | T = Механически обработанный сепаратор из текстолита, центрируемый по телам качения. |
| 6203LU | LU = RS1 (SKF) = шариковый подшипник с трущим уплотнением с одной стороны. Уплотнение обычно состоит из шайбы из листовой стали и прорезиненной ткани. |
| 6203 N | N = Канавка под стопорное кольцо в наружном кольце |
| 6203-Z | Металлический экран с одной стороны. |
| W 6203 | |
| 6203-C | С = Необслуживаемые концы стержней, внутренняя резьба. |
| 6203ZE | Е = Увеличенная грузоподъемность. |
| 6203VV | V = Увеличенная грузоподъемность, внутренняя модификация конструкции. |
| 6203LLH | LL = Лабиринтные уплотнения с обеих сторон (уплотнение L-типа - все части уплотнения L-типа покрыты цинком с всех сторон для улучшения защиты от коррозии - без трения уплотнения ). H = Штампованный защелкивающийся стальной сепаратор, закаленный. |
| 6203NSE | S = смазочный паз и три отверстия в наружном кольце подшипника. |
| 6203LLU | LLU = Резиновые уплотнения на каждой стороне подшипника. |
| 6203T1X | T = Механически обработанный сепаратор из текстолита, центрируемый по телам качения. |
| 6203 TB | ТВ = текстолитовый сепаратор, центрируемый по внутреннему кольцу. |
| 6203 2Z | 2Z = Металлические шайбы с каждой стороны подшипника. |
| 6203G15 | G15 = Формованная литьевая клетка из армированного стекловолокном полиамида 6,6, с вращающимся элементом по центру. |
| 6203/12 | |
| 6203 ZZ | ZZ = Два металлических экрана. |
| 6203LUZ | LU = RS1 (SKF) = шариковый подшипник с трущим уплотнением с одной стороны. Уплотнение обычно состоит из шайбы из листовой стали и прорезиненной ткани. |
| 6203 NR | Стопорное кольцо и проточка под него в наружном кольце подшипника. |
| 6203LLB | LLB = Уплотнение из синтетического каучука бесконтактного типа. |
| 6203SEE | S = смазочный паз и три отверстия в наружном кольце подшипника. |
| 6203ZZE | ZZ = Два металлических экрана. |
| SS 6203 | |
| 6203DDU | DDU = резиновые уплотнения на каждой стороне подшипника. |
| AC-6203 | |
| 6203L11 | L = массивный сепаратор из лёгкого сплава. |
| EC-6203 | |
| 6203-ZP | Металлический экран с одной стороны. |
| 6203NKE | К = Коническая посадка, конусность 1:12. |
| 6203-RS | R = Наружное кольцо с фланцем . |
| 6203 2RS | Резиновые уплотнения с каждой стороны подшипника. |
| 6203DDF1 | DD = резиновые уплотнения на каждой стороне подшипника. |
| 6203HVZZ | ZZ = Два металлических экрана. |
| P6203-GB | 3G = G = Втулки подшипника с возможностью смазки. |
| P6203-SB | S (Сегментное уплотнение, код 2L) = кулачковый толкатель, Camrol, герметичная версия. B = шестигранное отверстие ,заменяет шлиц отвертки в конце фланца штока. |
| 6203-RSL | R = Наружное кольцо с фланцем . |
| 6203NRZZ | ZZ = Два металлических экрана. |
| S6203-2Z | 2Z = Металлические шайбы с каждой стороны подшипника. |
| 6203-RS2 | S2 = Кольца подшипника стабилизированы для рабочих температур до + 250 С. |
| Техника | Модель | Агрегат |
|---|---|---|
| ГАЗ | 3309 | Насос вакуумный |
| Мототехника | Минск ММВЗ-3.11211 | Первичный вал коробки передач |
| Мототехника | Минск ММВЗ-3.1135 | Первичный вал коробки передач |
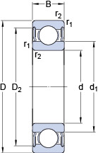
Габаритные размеры
Размеры и геометрические характеристики
Нагрузка и ресурс
Коэффициенты для расчета
Присоединительные размеры
Прочие характеристики
Однорядный цилиндрический роликовый подшипник NJ203 ECP (FAG, SKF)
Однорядный цилиндрический роликовый подшипник NU203 ECP (SKF)
Однорядный цилиндрический роликоподшипник N 203 ECPH (SKF)
Однорядный цилиндрический роликоподшипник NJ 203 ECML (SKF)
Однорядный цилиндрический роликоподшипник NU 203 ECML (SKF)
Однорядный цилиндрический роликовый подшипник NUP 203 ECP (SKF)