Главная > Подшипники> Шариковые> Радиальные>W 619/6 R-2Z

W 619/6 R-2Z — Подшипник шариковый из нержавеющей стали, импортное производство по ISO стандарту, размер 15x6x5 номер основного исполнения .
Производитель: SKF.
2Z = Металлические шайбы с каждой стороны подшипника.
Цена от:225 р.
Цена на подшипник зависит от:
Габаритные размеры
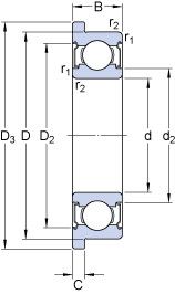
Размеры и геометрические характеристики
Нагрузка и ресурс
Коэффициенты для расчета
Присоединительные размеры
Прочие характеристики
Подшипник однорядный шариковый радиальный 619/6-2Z (SKF)
радиальный шарикоподшипник из нержавеющей стали с наружным кольцом с фланцем D/W RW4 R (SKF)
радиальный шарикоподшипник из нержавеющей стали с наружным кольцом с фланцем D/W RW4 R-2Z (SKF)
радиальный шарикоподшипник из нержавеющей стали с наружным кольцом с фланцем D/W RW4 R-2RS1 (SKF)
радиальный шарикоподшипник из нержавеющей стали D/W RW4-2Z (SKF)
радиальный шарикоподшипник из нержавеющей стали с наружным кольцом с фланцем W 619/6 R (SKF)