Главная > Подшипники>W 618/7 R

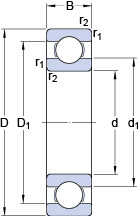
W 618/7 R — Радиальный шарикоподшипник, импортное производство по ISO стандарту, размер 7x14x3 номер основного исполнения .
Производитель: SKF.
R = Наружное кольцо с фланцем .
Цена по запросу
Цена на подшипник зависит от:
Габаритные размеры
Размеры и геометрические характеристики
Нагрузка и ресурс
Защита
Конструкция и исполнение
Подшипник шариковый радиальный однорядный 1000087
Подшипник шариковый радиальный однорядный с упорным бортом на наружном кольце 1840087
Подшипник шариковый радиальный однорядный 4-1000087 Ю2
Подшипник шариковый радиальный 6-1000087 Ю1Т
Подшипник однорядный шариковый радиальный 618/7 ZZ (CRAFT, CX, ISO)
Подшипник однорядный шариковый радиальный 618/7 (CRAFT, CX, ISB, ISO, SKF)