Главная > Подшипники>W 618/1.5 R

W 618/1.5 R — Радиальный шарикоподшипник, импортное производство по ISO стандарту, размер 1x4x1 номер основного исполнения .
Производитель: SKF.
R = Наружное кольцо с фланцем .
Цена по запросу
Цена на подшипник зависит от:
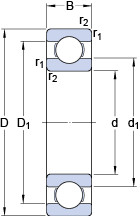
Габаритные размеры
Размеры и геометрические характеристики
Нагрузка и ресурс
Защита
Конструкция и исполнение
Подшипник шариковый радиальный 05-2000154 Ю3ТП (ГПЗ-4)
Подшипник шариковый радиальный 05-2000154 Ю3Т (ГПЗ-4)
Подшипник шариковый радиальный однорядный 05-2000154 ЮТП
Подшипник шариковый радиальный 05-2000154 ЮТ
Подшипник шариковый радиальный однорядный с упорным бортом на наружном кольце 05-840154 Ю3
Подшипник шариковый радиальный однорядный 1000091