Главная > Подшипники> Шариковые> Радиальные>W 61706 R

W 61706 R — радиальный шарикоподшипник из нержавеющей стали с наружным кольцом с фланцем, импортное производство по ISO стандарту, размер 37x30x4 номер основного исполнения 61706.
Производитель: SKF.
R = Наружное кольцо с фланцем .
Цена по запросу
Цена на подшипник зависит от:
| Обозначение | Модификация |
|---|---|
| 61706 | Основное конструктивное исполнение. |
| S61706 | |
| F61706 | |
| SF61706 | |
| W 61706 | |
| 61706ZZ | ZZ = Два металлических экрана. |
| 61706-2Z | 2Z = Металлические шайбы с каждой стороны подшипника. |
| S61706-2Z | 2Z = Металлические шайбы с каждой стороны подшипника. |
| 61706-2RS | Резиновые уплотнения с каждой стороны подшипника. |
| F61706-2Z | 2Z = Металлические шайбы с каждой стороны подшипника. |
| SF61706-2Z | 2Z = Металлические шайбы с каждой стороны подшипника. |
| F61706-2RS | Резиновые уплотнения с каждой стороны подшипника. |
| S61706-2RS | Резиновые уплотнения с каждой стороны подшипника. |
| SF61706-2RS | Резиновые уплотнения с каждой стороны подшипника. |
| W 61706-2RZ | 2RZ = Шариковый подшипник, с уплотнением низкого трения на обеих сторонах. Уплотнение состоит из шайбы тонколистовой стали с вулканизированной резиной. |
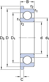
Габаритные размеры
Размеры и геометрические характеристики
Нагрузка и ресурс
Коэффициенты для расчета
Присоединительные размеры
Прочие характеристики