Главная > Подшипники> Шариковые> Радиальные>W 61705-2RS1

W 61705-2RS1 — радиальный шарикоподшипник из нержавеющей стали, импортное производство по ISO стандарту, размер 32x25x4 номер основного исполнения 61705.
Производитель: SKF.
Резиновые уплотнения с каждой стороны подшипника.
Цена по запросу
Цена на подшипник зависит от:
| Обозначение | Модификация |
|---|---|
| 61705 | Основное конструктивное исполнение. |
| F61705 | |
| S61705 | |
| SF61705 | |
| W 61705 | |
| 61705ZZ | ZZ = Два металлических экрана. |
| 61705-2Z | 2Z = Металлические шайбы с каждой стороны подшипника. |
| F61705-2Z | 2Z = Металлические шайбы с каждой стороны подшипника. |
| S61705-2Z | 2Z = Металлические шайбы с каждой стороны подшипника. |
| W 61705 R | R = Наружное кольцо с фланцем . |
| 61705-2RS | Резиновые уплотнения с каждой стороны подшипника. |
| F61705-2RS | Резиновые уплотнения с каждой стороны подшипника. |
| S61705-2RS | Резиновые уплотнения с каждой стороны подшипника. |
| SF61705-2Z | 2Z = Металлические шайбы с каждой стороны подшипника. |
| SF61705-2RS | Резиновые уплотнения с каждой стороны подшипника. |
| W 61705-2RZ | 2RZ = Шариковый подшипник, с уплотнением низкого трения на обеих сторонах. Уплотнение состоит из шайбы тонколистовой стали с вулканизированной резиной. |
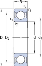
Габаритные размеры
Размеры и геометрические характеристики
Нагрузка и ресурс
Коэффициенты для расчета
Присоединительные размеры
Прочие характеристики