Главная > Подшипники> Шариковые> Радиальные>W 603 XR-2Z

W 603 XR-2Z — радиальный шарикоподшипник из нержавеющей стали с наружным кольцом с фланцем, импортное производство по ISO стандарту, размер 9x3x4 номер основного исполнения .
Производитель: SKF.
2Z = Металлические шайбы с каждой стороны подшипника.
Цена от:29 р.
Цена на подшипник зависит от:
Габаритные размеры
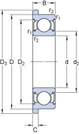
Размеры и геометрические характеристики
Нагрузка и ресурс
Коэффициенты для расчета
Присоединительные размеры
Прочие характеристики
радиальный шарикоподшипник из нержавеющей стали с наружным кольцом с фланцем D/W RW2 R (SKF)
радиальный шарикоподшипник из нержавеющей стали с наружным кольцом с фланцем D/W RW2 R-2RS1 (SKF)