Главная > Подшипники> Шариковые> Упорные>VU 20 0405

VU 20 0405 — Подшипник шариковый с четырехточечным контактом, импортное производство по ISO стандарту номер основного исполнения .
Производитель: INA.
Цена по запросу
Цена на подшипник зависит от:
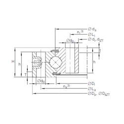
Габаритные размеры
Размеры и геометрические характеристики
Нагрузка и ресурс
Защита
Конструкция и исполнение
Другие размеры