Главная > Подшипники> Шариковые> Упорные>VSI 20 0544 N

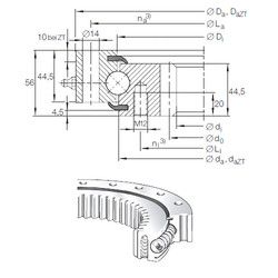
VSI 20 0544 N — Опорно-поворотный подшипник, импортное производство по ISO стандарту номер основного исполнения .
Производитель: INA.
N = Канавка под стопорное кольцо в наружном кольце
Цена по запросу
Цена на подшипник зависит от:
Габаритные размеры
Размеры и геометрические характеристики
Нагрузка и ресурс
Защита
Конструкция и исполнение
Другие размеры