Главная > Подшипники> Шариковые> Радиально-упорные>VEX 9 /NS 7CE1

VEX 9 /NS 7CE1 — Радиально-упорный шарикоподшипник, импортное производство по ISO стандарту, размер 9x24x7 номер основного исполнения .
Производитель: SNFA.
С = фенольная смола. E = Расположение внешнего сепаратора. 1 = CD (SKF) = 15 градусов угол контакта.
Цена по запросу
Цена на подшипник зависит от:
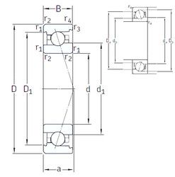
Габаритные размеры
Размеры и геометрические характеристики
Нагрузка и ресурс
Защита
Присоединительные размеры
Конструкция и исполнение
Подшипник однорядный шариковый радиальный 609 (CRAFT, CX, FAG, FBJ, Fersa)
Подшипник однорядный шариковый радиальный 609 RSR (FAG, NKE)
Подшипник однорядный шариковый радиальный 609 2RS (CRAFT, CX, FAG, Fersa, ISB)
Подшипник однорядный шариковый радиальный 609 2Z (FAG, NKE, SKF, ZEN)
Подшипник шариковый радиальный однорядный с односторонним уплотнением 160019
Подшипник шариковый радиальный однорядный с двухсторонним уплотнением 180019 (609 2RS)