Главная > Подшипники> Шариковые> Радиально-упорные>VEX 6 /NS 7CE3

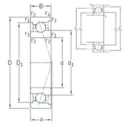
VEX 6 /NS 7CE3 — Радиально-упорный шарикоподшипник, импортное производство по ISO стандарту, размер 6x17x6 номер основного исполнения .
Производитель: SNFA.
S = смазочный паз и три отверстия в наружном кольце подшипника.
Цена по запросу
Цена на подшипник зависит от:
Габаритные размеры
Размеры и геометрические характеристики
Нагрузка и ресурс
Защита
Присоединительные размеры
Конструкция и исполнение
Подшипник однорядный шариковый радиальный 606 (CRAFT, CX, FBJ, INA, ISB)
Подшипник шариковый радиальный однорядный 16
Подшипник шариковый радиальный однорядный с одной защитной шайбой 60016
Подшипник шариковый радиальный однорядный с двумя защитными шайбами 80016
Подшипник шариковый радиальный однорядный с упорным бортом на наружном кольце 840016
Подшипник шариковый радиальный однорядный с упорным бортом на наружном кольце и двумя защитными шайбами 880016