Главная > Подшипники> Шариковые> Радиально-упорные>VEX 40 /NS 7CE3

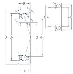
VEX 40 /NS 7CE3 — Радиально-упорный шарикоподшипник, импортное производство по ISO стандарту, размер 40x68x15 номер основного исполнения .
Производитель: SNFA.
S = смазочный паз и три отверстия в наружном кольце подшипника.
Цена по запросу
Цена на подшипник зависит от:
Габаритные размеры
Размеры и геометрические характеристики
Нагрузка и ресурс
Защита
Присоединительные размеры
Конструкция и исполнение
Однорядный цилиндрический роликовый подшипник NU1008 (CX, CYSD, FAG, FBJ, ISB)
Подшипник шариковый радиальный однорядный 108
Подшипник шариковый радиальный однорядный 8108
Подшипник шариковый радиально-упорный 746108 (ГПЗ-2)