Главная > Подшипники> Шариковые> Радиально-упорные>VEX 25 7CE1

VEX 25 7CE1 — Радиально-упорный шарикоподшипник, импортное производство по ISO стандарту, размер 25x47x12 номер основного исполнения .
Производитель: SNFA.
С = фенольная смола. E = Расположение внешнего сепаратора. 1 = CD (SKF) = 15 градусов угол контакта.
Цена по запросу
Цена на подшипник зависит от:
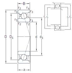
Габаритные размеры
Размеры и геометрические характеристики
Нагрузка и ресурс
Защита
Присоединительные размеры
Конструкция и исполнение
Подшипник шариковый однорядный радиально-упорный 7005 (CYSD, FAG, KOYO, NACHI, NTN)
Подшипник шариковый радиальный однорядный с двухсторонним уплотнением 180105
Подшипник шариковый радиальный однорядный 105
Подшипник шариковый радиальный однорядный 60105
Подшипник шариковый радиальный однорядный с двумя защитными шайбами 80105