Главная > Подшипники> Шариковые> Радиально-упорные>VEX 20 /NS 7CE1

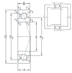
VEX 20 /NS 7CE1 — Радиально-упорный шарикоподшипник, импортное производство по ISO стандарту, размер 20x42x12 номер основного исполнения .
Производитель: SNFA.
С = фенольная смола. E = Расположение внешнего сепаратора. 1 = CD (SKF) = 15 градусов угол контакта.
Цена по запросу
Цена на подшипник зависит от:
Габаритные размеры
Размеры и геометрические характеристики
Нагрузка и ресурс
Защита
Присоединительные размеры
Конструкция и исполнение
Подшипник шариковый однорядный радиально-упорный 7004 (CYSD, FAG, KOYO, NACHI, NTN)
Подшипник шариковый радиальный однорядный с двухсторонним уплотнением 180104
Подшипник шариковый радиальный однорядный с двумя защитными шайбами 80104
Подшипник шариковый однорядный радиально-упорный B7004 E.T.P4S.UL (FAG)