Главная > Подшипники> Шариковые> Радиально-упорные>VEX 17 /NS 7CE3

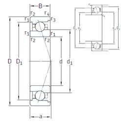
VEX 17 /NS 7CE3 — Радиально-упорный шарикоподшипник, импортное производство по ISO стандарту, размер 17x35x10 номер основного исполнения .
Производитель: SNFA.
S = смазочный паз и три отверстия в наружном кольце подшипника.
Цена по запросу
Цена на подшипник зависит от:
Габаритные размеры
Размеры и геометрические характеристики
Нагрузка и ресурс
Защита
Присоединительные размеры
Конструкция и исполнение
Подшипник шариковый радиально-упорный однорядный неразъемный со скосом на наружном кольце 36103
Подшипник шариковый однорядный радиально-упорный B7003 E.T.P4S.UL (FAG)
Подшипник шариковый однорядный радиально-упорный HS7003 C.T.P4S.UL (FAG)
Подшипник шариковый однорядный радиально-упорный HS7003 E.T.P4S.UL (FAG)