Главная > Подшипники> Шариковые> Радиально-упорные>VEX 15 /NS 7CE3

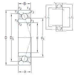
VEX 15 /NS 7CE3 — Радиально-упорный шарикоподшипник, импортное производство по ISO стандарту, размер 15x32x9 номер основного исполнения .
Производитель: SNFA.
S = смазочный паз и три отверстия в наружном кольце подшипника.
Цена по запросу
Цена на подшипник зависит от:
Габаритные размеры
Размеры и геометрические характеристики
Нагрузка и ресурс
Защита
Присоединительные размеры
Конструкция и исполнение
Подшипник однорядный шариковый радиальный 6002 (FAG, NIS)
Подшипник шариковый радиально-упорный 746102 (ГПЗ-2)
Подшипник шариковый однорядный радиально-упорный B7002 E.T.P4S.UL (FAG)
Подшипник шариковый однорядный радиально-упорный HS7002 C.T.P4S.UL (FAG)