Главная > Подшипники> Шариковые> Радиально-упорные>VEX 12 7CE3

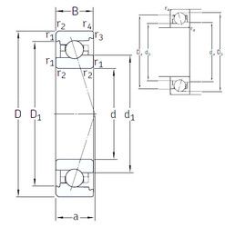
VEX 12 7CE3 — Радиально-упорный шарикоподшипник, импортное производство по ISO стандарту, размер 12x28x8 номер основного исполнения .
Производитель: SNFA.
С = Необслуживаемые концы стержней, внутренняя резьба.
Цена по запросу
Цена на подшипник зависит от:
Габаритные размеры
Размеры и геометрические характеристики
Нагрузка и ресурс
Защита
Присоединительные размеры
Конструкция и исполнение
Подшипник шариковый однорядный радиально-упорный 7001 (CYSD, KOYO, NACHI, NSK, NTN)
Подшипник однорядный шариковый радиальный 6001 (FAG, NIS)
Подшипник шариковый радиально-упорный 746101 (ГПЗ-2)
Подшипник шариковый однорядный радиально-упорный B7001 C.T.P4S.UL (FAG)
Подшипник шариковый однорядный радиально-упорный B7001 E.T.P4S.UL (FAG)