Главная > Подшипники> Шариковые> Радиально-упорные>VEX 110 /NS 7CE1

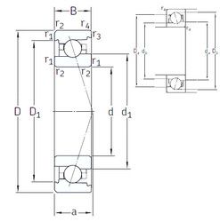
VEX 110 /NS 7CE1 — Радиально-упорный шарикоподшипник, импортное производство по ISO стандарту, размер 110x170x28 номер основного исполнения .
Производитель: SNFA.
С = фенольная смола. E = Расположение внешнего сепаратора. 1 = CD (SKF) = 15 градусов угол контакта.
Цена от:359 р.
Цена на подшипник зависит от:
Габаритные размеры
Размеры и геометрические характеристики
Нагрузка и ресурс
Защита
Присоединительные размеры
Конструкция и исполнение
Однорядный цилиндрический роликовый подшипник NU1022 (CX, CYSD, ISB, ISO, KOYO)
Подшипник однорядный шариковый радиальный 6022 (CRAFT, CX, CYSD, FAG, ISB)
Подшипник шариковый однорядный радиально-упорный 7022 (CYSD, KOYO, NACHI, NSK, NTN)
Подшипник шариковый радиальный однорядный 122
Подшипник шариковый однорядный радиально-упорный HS7022 C.T.P4S.UL (FAG)