Главная > Подшипники> Шариковые> Радиально-упорные>VEX 10 /NS 7CE1

VEX 10 /NS 7CE1 — Радиально-упорный шарикоподшипник, импортное производство по ISO стандарту, размер 10x26x8 номер основного исполнения .
Производитель: SNFA.
С = фенольная смола. E = Расположение внешнего сепаратора. 1 = CD (SKF) = 15 градусов угол контакта.
Цена по запросу
Цена на подшипник зависит от:
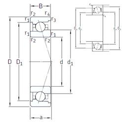
Габаритные размеры
Размеры и геометрические характеристики
Нагрузка и ресурс
Защита
Присоединительные размеры
Конструкция и исполнение
Подшипник шариковый однорядный радиально-упорный 7000 (CYSD, KOYO, NACHI, NTN, SKF)
Подшипник однорядный шариковый радиальный 6000 (FAG, NIS)
Подшипник шариковый радиальный однорядный с одной защитной шайбой 60100
Подшипник шариковый однорядный радиально-упорный HS7000 C.T.P4S.UL (FAG)
Подшипник шариковый однорядный радиально-упорный 7000 ACDGA.P4A (SKF)