Главная > Подшипники> Шариковые> Радиально-упорные>VEB 90 /NS 7CE3

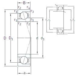
VEB 90 /NS 7CE3 — Подшипник шариковый однорядный радиально-упорный, импортное производство по ISO стандарту, размер 90x125x18 номер основного исполнения .
Производитель: SNFA.
S = смазочный паз и три отверстия в наружном кольце подшипника.
Цена по запросу
Цена на подшипник зависит от:
Габаритные размеры
Размеры и геометрические характеристики
Нагрузка и ресурс
Защита
Присоединительные размеры
Конструкция и исполнение
Подшипник однорядный шариковый радиальный 61918 (CRAFT, CX, ISB, ISO, NKE)
Подшипник однорядный шариковый радиальный 61918 C3 (NKE)
Подшипник шариковый радиальный 1000918 Л (ГПЗ-4)
Подшипник шариковый радиальный однорядный 1000918 К (ГПЗ-4)
Подшипник шариковый радиальный однорядный 1000918