Главная > Подшипники> Шариковые> Радиально-упорные>VEB 9 7CE1

VEB 9 7CE1 — Радиально-упорный шарикоподшипник, импортное производство по ISO стандарту, размер 9x20x6 номер основного исполнения .
Производитель: SNFA.
С = фенольная смола. E = Расположение внешнего сепаратора. 1 = CD (SKF) = 15 градусов угол контакта.
Цена по запросу
Цена на подшипник зависит от:
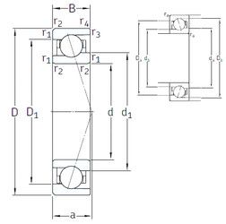
Габаритные размеры
Размеры и геометрические характеристики
Нагрузка и ресурс
Защита
Присоединительные размеры
Конструкция и исполнение
Подшипник шариковый радиальный однорядный 1000099 ЮТ
Подшипник шариковый радиальный однорядный 1000099
Подшипник шариковый радиальный однорядный 1000099 Л
Подшипник шариковый радиальный однорядный с одной защитной шайбой 1060099
Подшипник шариковый радиальный однорядный с двумя защитными шайбами 1080099
Подшипник шариковый радиальный 1080099 К (ГПЗ-4)