Главная > Подшипники> Шариковые> Радиально-упорные>VEB 8 7CE1

VEB 8 7CE1 — Радиально-упорный шарикоподшипник, импортное производство по ISO стандарту, размер 8x19x6 номер основного исполнения .
Производитель: SNFA.
С = фенольная смола. E = Расположение внешнего сепаратора. 1 = CD (SKF) = 15 градусов угол контакта.
Цена по запросу
Цена на подшипник зависит от:
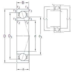
Габаритные размеры
Размеры и геометрические характеристики
Нагрузка и ресурс
Защита
Присоединительные размеры
Конструкция и исполнение
Подшипник шариковый радиальный 04-1080098 ЮС20
Подшипник шариковый радиальный однорядный 1000098
Подшипник шариковый радиальный однорядный 1000098 Л
Подшипник шариковый радиальный 1080098 КС2 (ГПЗ-4)
Подшипник шариковый радиальный однорядный с одной защитной шайбой 1060098
Подшипник шариковый радиальный однорядный с двумя защитными шайбами 1080098