Главная > Подшипники> Шариковые> Радиально-упорные>VEB 65 7CE3

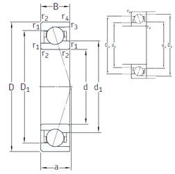
VEB 65 7CE3 — Радиально-упорный шарикоподшипник, импортное производство по ISO стандарту, размер 65x90x13 номер основного исполнения .
Производитель: SNFA.
С = Необслуживаемые концы стержней, внутренняя резьба.
Цена по запросу
Цена на подшипник зависит от:
Габаритные размеры
Размеры и геометрические характеристики
Нагрузка и ресурс
Защита
Присоединительные размеры
Конструкция и исполнение
Подшипник однорядный шариковый радиальный 61913 (CRAFT, CX, FAG, INA, ISB)
Подшипник шариковый однорядный радиально-упорный HS71913 C.T.P4S.UL (FAG)
Подшипник шариковый однорядный радиально-упорный HS71913 E.T.P4S.UL (FAG)
Подшипник однорядный шариковый радиальный 61913 2Z (INA, ZEN)