Главная > Подшипники> Шариковые> Радиально-упорные>VEB 45 /NS 7CE1

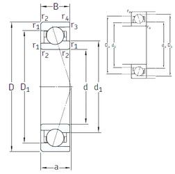
VEB 45 /NS 7CE1 — Радиально-упорный шарикоподшипник, импортное производство по ISO стандарту, размер 45x68x12 номер основного исполнения .
Производитель: SNFA.
С = фенольная смола. E = Расположение внешнего сепаратора. 1 = CD (SKF) = 15 градусов угол контакта.
Цена по запросу
Цена на подшипник зависит от:
Габаритные размеры
Размеры и геометрические характеристики
Нагрузка и ресурс
Защита
Присоединительные размеры
Конструкция и исполнение
Подшипник однорядный шариковый радиальный 61909 (CRAFT, CX, FAG, Fersa, INA)
Подшипник шариковый однорядный радиально-упорный B71909 C.T.P4S.UL (FAG)
Подшипник шариковый однорядный радиально-упорный B71909 E.T.P4S.UL (FAG)