Главная > Подшипники> Шариковые> Радиально-упорные>VEB 35 7CE1

VEB 35 7CE1 — Радиально-упорный шарикоподшипник, импортное производство по ISO стандарту, размер 35x55x10 номер основного исполнения .
Производитель: SNFA.
С = фенольная смола. E = Расположение внешнего сепаратора. 1 = CD (SKF) = 15 градусов угол контакта.
Цена по запросу
Цена на подшипник зависит от:
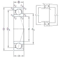
Габаритные размеры
Размеры и геометрические характеристики
Нагрузка и ресурс
Защита
Присоединительные размеры
Конструкция и исполнение
Подшипник однорядный шариковый радиальный 61907 (CRAFT, CX, FAG, IBC, ISB)
Подшипник шариковый радиальный однорядный 1000907
Подшипник шариковый радиально-упорный однорядный неразъемный со скосом на наружном кольце 1036907