Главная > Подшипники> Шариковые> Радиально-упорные>VEB 25 /NS 7CE3

VEB 25 /NS 7CE3 — Радиально-упорный шарикоподшипник, импортное производство по ISO стандарту, размер 25x42x9 номер основного исполнения .
Производитель: SNFA.
S = смазочный паз и три отверстия в наружном кольце подшипника.
Цена по запросу
Цена на подшипник зависит от:
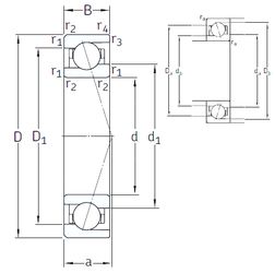
Габаритные размеры
Размеры и геометрические характеристики
Нагрузка и ресурс
Защита
Присоединительные размеры
Конструкция и исполнение
Подшипник однорядный шариковый радиальный 61905 (CRAFT, CX, FAG, ISB, ISO)
Подшипник шариковый однорядный радиально-упорный HS71905 C.T.P4S.UL (FAG)
Подшипник шариковый однорядный радиально-упорный HS71905 E.T.P4S.UL (FAG)
Подшипник однорядный шариковый радиальный 61905 C3 (FAG)
Подшипник однорядный шариковый радиальный 61905 2RSR (FAG, NKE)