Главная > Подшипники> Шариковые> Радиально-упорные>VEB 17 /NS 7CE3

VEB 17 /NS 7CE3 — Радиально-упорный шарикоподшипник, импортное производство по ISO стандарту, размер 17x30x7 номер основного исполнения .
Производитель: SNFA.
S = смазочный паз и три отверстия в наружном кольце подшипника.
Цена по запросу
Цена на подшипник зависит от:
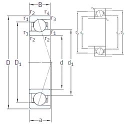
Габаритные размеры
Размеры и геометрические характеристики
Нагрузка и ресурс
Защита
Присоединительные размеры
Конструкция и исполнение
Подшипник однорядный шариковый радиальный 61903 (CRAFT, CX, FAG, IBC, ISB)
Подшипник шариковый однорядный радиально-упорный HS71903 C.T.P4S.UL (FAG)
Подшипник шариковый однорядный радиально-упорный HS71903 E.T.P4S.UL (FAG)
Подшипник однорядный шариковый радиальный 61903 C3 (IBC)
Подшипник однорядный шариковый радиальный 61903 2RSR (FAG, IBC, NKE)