Главная > Подшипники> Шариковые> Радиально-упорные>VEB 110 7CE3

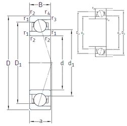
VEB 110 7CE3 — Радиально-упорный шарикоподшипник, импортное производство по ISO стандарту, размер 110x150x20 номер основного исполнения .
Производитель: SNFA.
С = Необслуживаемые концы стержней, внутренняя резьба.
Цена от:359 р.
Цена на подшипник зависит от:
Габаритные размеры
Размеры и геометрические характеристики
Нагрузка и ресурс
Защита
Присоединительные размеры
Конструкция и исполнение
Подшипник однорядный шариковый радиальный 61922 (CX, ISB, ISO, NKE, SIGMA)
Подшипник шариковый однорядный радиально-упорный B71922 C.T.P4S.UL (FAG)
Подшипник шариковый однорядный радиально-упорный B71922 E.T.P4S.UL (FAG)