Главная > Подшипники> Шариковые> Радиально-упорные>VEB 100 /NS 7CE3

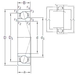
VEB 100 /NS 7CE3 — Радиально-упорный шарикоподшипник, импортное производство по ISO стандарту, размер 100x140x20 номер основного исполнения .
Производитель: SNFA.
S = смазочный паз и три отверстия в наружном кольце подшипника.
Цена от:84 р.
Цена на подшипник зависит от:
Габаритные размеры
Размеры и геометрические характеристики
Нагрузка и ресурс
Защита
Присоединительные размеры
Конструкция и исполнение
Подшипник однорядный шариковый радиальный 61920 (CRAFT, CX, ISB, ISO, NKE)
Подшипник шариковый однорядный радиально-упорный B71920 C.T.P4S.UL (FAG)
Подшипник шариковый однорядный радиально-упорный HS71920 C.T.P4S.UL (FAG)
Подшипник шариковый однорядный радиально-упорный HS71920 E.T.P4S.UL (FAG)