Главная > Подшипники> Шариковые> Радиально-упорные>VEB 10 7CE1

VEB 10 7CE1 — Радиально-упорный шарикоподшипник, импортное производство по ISO стандарту, размер 10x22x6 номер основного исполнения .
Производитель: SNFA.
С = фенольная смола. E = Расположение внешнего сепаратора. 1 = CD (SKF) = 15 градусов угол контакта.
Цена по запросу
Цена на подшипник зависит от:
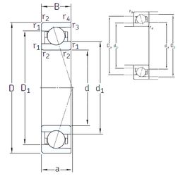
Габаритные размеры
Размеры и геометрические характеристики
Нагрузка и ресурс
Защита
Присоединительные размеры
Конструкция и исполнение
Подшипник однорядный шариковый радиальный 61900 (CRAFT, CX, FAG, ISB, ISO)
Подшипник однорядный шариковый радиальный 619002RS1 (FAG, SKF)
Подшипник однорядный шариковый радиальный 619002Z (FAG, NKE, SKF, ZEN)
Подшипник шариковый радиальный 06-1000900 ЮТП (ГПЗ-4)