Главная > Подшипники> Шариковые> Радиальные>UCX17L3

UCX17L3 — Радиальный шарикоподшипник, импортное производство по ISO стандарту, размер 85x160x96 номер основного исполнения UCX17.
Производитель: KOYO.
L = массивный сепаратор из лёгкого сплава.
Цена от:3 204 р.
Цена на подшипник зависит от:
| Обозначение | Модификация |
|---|---|
| UCX17 | Основное конструктивное исполнение. |
| UCX17-55 | |
| UCX17-55L3 | L = массивный сепаратор из лёгкого сплава. |
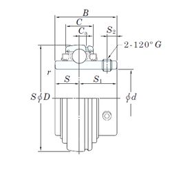
Габаритные размеры
Размеры и геометрические характеристики
Нагрузка и ресурс
Защита
Коэффициенты для расчета
Присоединительные размеры
Конструкция и исполнение
Другие размеры