Главная > Подшипники> Шариковые> Радиальные>UCX16L3

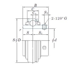
UCX16L3 — Радиальный шарикоподшипник, импортное производство по ISO стандарту, размер 80x150x85 номер основного исполнения UCX16.
Производитель: KOYO.
L = массивный сепаратор из лёгкого сплава.
Цена от:3 599 р.
Цена на подшипник зависит от:
| Обозначение | Модификация |
|---|---|
| UCX16 | Основное конструктивное исполнение. |
Габаритные размеры
Размеры и геометрические характеристики
Нагрузка и ресурс
Защита
Коэффициенты для расчета
Присоединительные размеры
Конструкция и исполнение
Другие размеры