Главная > Подшипники> Шариковые> Радиальные>UCX15L3

UCX15L3 — Радиальный шарикоподшипник, импортное производство по ISO стандарту, размер 75x140x82 номер основного исполнения UCX15.
Производитель: KOYO.
L = массивный сепаратор из лёгкого сплава.
Цена от:2 965 р.
Цена на подшипник зависит от:
| Обозначение | Модификация |
|---|---|
| UCX15 | Основное конструктивное исполнение. |
| UCX15-48 | |
| UCX15-47 | |
| UCX15-48L3 | L = массивный сепаратор из лёгкого сплава. |
| UCX15-47L3 | L = массивный сепаратор из лёгкого сплава. |
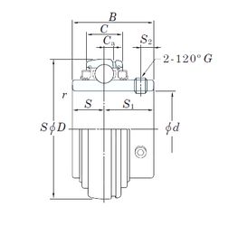
Габаритные размеры
Размеры и геометрические характеристики
Нагрузка и ресурс
Защита
Коэффициенты для расчета
Присоединительные размеры
Конструкция и исполнение
Другие размеры