Главная > Подшипники> Шариковые> Радиальные>UCX14L3

UCX14L3 — Радиальный шарикоподшипник, импортное производство по ISO стандарту, размер 70x130x77 номер основного исполнения UCX14.
Производитель: KOYO.
L = массивный сепаратор из лёгкого сплава.
Цена от:2 190 р.
Цена на подшипник зависит от:
| Обозначение | Модификация |
|---|---|
| UCX14 | Основное конструктивное исполнение. |
| UCX14-44 | |
| UCX14-44L3 | L = массивный сепаратор из лёгкого сплава. |
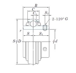
Габаритные размеры
Размеры и геометрические характеристики
Нагрузка и ресурс
Защита
Коэффициенты для расчета
Присоединительные размеры
Конструкция и исполнение
Другие размеры