Главная > Подшипники> Шариковые> Радиальные>UCX09L3

UCX09L3 — Радиальный шарикоподшипник, импортное производство по ISO стандарту, размер 45x90x51 номер основного исполнения UCX09.
Производитель: KOYO.
L = массивный сепаратор из лёгкого сплава.
Цена от:764 р.
Цена на подшипник зависит от:
| Обозначение | Модификация |
|---|---|
| UCX09 | Основное конструктивное исполнение. |
| UCX09-28 | |
| UCX09-28L3 | L = массивный сепаратор из лёгкого сплава. |
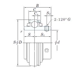
Габаритные размеры
Размеры и геометрические характеристики
Нагрузка и ресурс
Защита
Коэффициенты для расчета
Присоединительные размеры
Конструкция и исполнение
Другие размеры
Подшипник для корпуса GYE45-210-KRR-B (INA)
Радиальный шарикоподшипник SUCX09 (ZEN)